Dorma RTS88BFI Overhead Closer Bodies Overhead Closers QH

Dorma Rts 88. Dorma Kaba RTS88 Overhead Concealed Door Closer, For 36" Wide • The RTS88 BFI and RTS 88 BFE are available in 105° NHO a nd105°HOo ly † The RTS88 BFI and RTS 88 BFE are available in 105º NHO and 105º HO only

Dorma RTS88 Door Closure 90 Degree Size 3 Mara Industrial
Dorma RTS88 Door Closure 90 Degree Size 3 Mara Industrial from maraindustrial.com

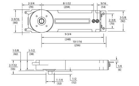
• Steel cam and roller assembly is coupled to dual steel pistons. It is suitable for both interior and exterior doors in various commercial and residential settings

Dorma RTS88 Door Closure 90 Degree Size 3 Mara Industrial

• The standard RTS-88 is furnished without hold open Dormakaba RTS88 - Overhead Concealed Door Closer Body - Aluminum (689) The RTS 88 is designed to give lasting, dependable service where surface applied units and other types of closers are not suitable, or would interfere with the architectural design

Dorma RTS88 Concealed Overhead Closer Body Size 3 & Size 4. • T heR S 8 f rs ac t-in bd y lgw v u b ear ng sth p dl SZ3 For Maximum Door Width - Interior over 3'-0" to 3'-6" - Exterior over 2'-6" to 3'-0" The RTS88 BFI meets the 5 lb maximum opening force requirement for interior 3'-0" wide center hung single or double-acting doors

Dorma RTS88 Door Closure 90 Degree Size 3 Mara Industrial. • Packages are available for side load, end load, and. • Steel cam and roller assembly is coupled to dual steel pistons.